| |
|
|
TSUBAKI
Emer-flex COUPLING
(SINGLE
TYPE)
椿
本 鋼 片 式 無 背 隙 連 軸 器
|
|
|
●?
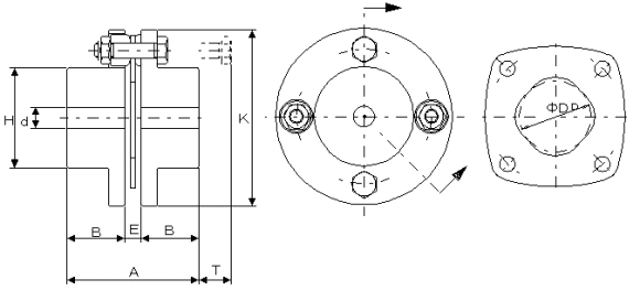
SINGLE TYPE 型號表示

●?SINGLE
TYPE 寸法表
單位
: mm
|
型號
|
A
|
B
|
DD
|
E
|
H
|
K
|
T
|
|
NEF04
|
56.9
|
25.4
|
29
|
6.1
|
34
|
67.5
|
15.5
|
|
NEF10
|
57.4
|
25.4
|
37
|
6.6
|
46
|
81.0
|
16.0
|
|
NEF18
|
65.7
|
28.7
|
39
|
8.3
|
51
|
93.0
|
23.0
|
|
NEF25
|
78.2
|
33.5
|
45
|
11.2
|
61
|
104.0
|
21.0
|
|
NEF45
|
93.9
|
41.1
|
51
|
11.7
|
71
|
126.0
|
23.0
|
|
NEF80
|
107.3
|
47.8
|
61
|
11.7
|
84
|
143.0
|
29.5
|
|
NEF130
|
131.2
|
57.2
|
73
|
16.8
|
106
|
168.0
|
20.0
|
|
NEF210
|
146.0
|
63.5
|
84
|
17.0
|
118
|
194.0
|
32.5
|
|
NEF340
|
174.0
|
76.2
|
97
|
21.6
|
137
|
214.0
|
19.5
|
|
NEF540
|
201.7
|
88.9
|
110
|
23.9
|
156
|
246.0
|
24.5
|
|
NEF700
|
230.4
|
101.6
|
120
|
27.2
|
169
|
276.0
|
40.0
|
●?SINGLE
TYPE 傳動能力表
|
型號
|
定格扭力
|
最高迴 轉數
|
下穴
|
最大可加工軸孔徑
|
軸向彈性係數
|
容許誤差
|
質量
|
慣性矩
|
GD2
|
扭轉剛性
|
|
N-m (kgf.m)
|
r/min
|
d
|
鍵槽
|
軸套
|
N / mm
|
角度誤差(deg)
|
軸方向變位(mm)
|
kg
|
kg..cm2
|
kg..cm2
|
kgf.m/rad
|
| NEF04 |
39.2(4)
|
20000
|
8
|
23
|
12
|
40.2
|
1
|
±0.8
|
0.6
|
2
|
8
|
2600
|
| NEF10 |
98(10)
|
20000
|
10
|
32
|
35
|
58.8
|
1
|
±1.0
|
0.8
|
6
|
25
|
9000
|
| NEF18 |
176(18)
|
18000
|
12
|
35
|
35
|
127
|
1
|
±1.2
|
1.3
|
13
|
53
|
16000
|
| NEF25 |
245(25)
|
15000
|
15
|
42
|
42
|
157
|
1
|
±1.4
|
1.8
|
22
|
89
|
27000
|
| NEF45 |
441(45)
|
13000
|
15
|
50
|
35
|
219
|
1
|
±1.6
|
4.3
|
56
|
204
|
46000
|
| NEF80 |
784(80)
|
12000
|
15
|
60
|
45
|
307
|
1
|
±1.8
|
6.9
|
110
|
440
|
81000
|
| NEF130 |
1270(130)
|
10000
|
25
|
74
|
65
|
355
|
1
|
±2.5
|
11.5
|
270
|
1080
|
152000
|
| NEF210 |
2060(210)
|
8000
|
25
|
83
|
71
|
441
|
1
|
±2.7
|
16.4
|
520
|
2080
|
232000
|
| NEF340 |
3330(340)
|
7500
|
45
|
95
|
85
|
470
|
1
|
±3.3
|
28.0
|
880
|
3520
|
333000
|
| NEF540 |
5290(540)
|
3400
|
50
|
109
|
------
|
549
|
1
|
±3.8
|
33.0
|
1750
|
7000
|
445000
|
| NEF700 |
6860(700)
|
3100
|
50
|
118
|
------
|
588
|
1
|
±4.0
|
37.0
|
3250
|
13000
|
606200
|
|
網頁建議使用IE 4.0 以上版本 1024*768 解析度瀏覽
Copyrightc 2002 ~ 創勤實業有限公司 TEL:03-3588332
; FAX:03-3588331~ All Rights Reserved.
修訂日期: -2003年6月26日 -