| |
|
|
TSUBAKI
POWER LOCK EF SERIES
椿 本 免 鍵 式 軸 套 EF 系列
|
|
|
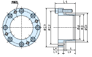
| 規 格 表
...........................(適用軸公差
: h8 ; 適用輪轂孔公差 : H8 ; 適用表面粗度 : 12S 以下) |
|
|
|
(單位
:mm )
|
|
規.....格
|
外型尺寸
|
傳達扭力
|
軸向力
|
軸側面壓
|
輪轂側面壓
|
安裝螺絲
|
質量
|
|
d X D
|
t
|
L2
|
L3
|
L4 |
Lt
|
D1 |
D2
|
D3
|
Mt
|
Pax
|
P
|
P'
|
數量
|
規格
|
懸緊扭力
|
kg
|
|
內徑 X 外徑
|
N.m
|
kgf.m
|
kN
|
kgf
|
MPa
|
kgf/mm2
|
MPa
|
kgf/mm2
|
kgf.m
|
|
PL 010 X 013 EF
|
11.5
|
14.5
|
5
|
1.5
|
23.5
|
16
|
22
|
30
|
39
|
4.0
|
7.79
|
795
|
292
|
29.8
|
224
|
22.9
|
3
|
M6X16
|
0.41
|
0.04
|
|
PL 011 X 014 EF
|
11.5
|
14.5
|
5
|
1.5
|
23.5
|
17
|
23
|
31
|
43
|
4.4
|
7.79
|
795
|
266
|
27.1
|
209
|
21.3
|
3
|
M6X16
|
0.41
|
0.04
|
|
PL 012 X 015 EF
|
11.5
|
14.5
|
5
|
1.5
|
23.5
|
18
|
24
|
32
|
47
|
4.8
|
7.79
|
795
|
243
|
24.8
|
195
|
19.9
|
3
|
M6X16
|
0.41
|
0.04
|
|
PL 014 X 018 EF
|
16.0
|
20.0
|
6
|
2.0
|
30.0
|
22
|
27
|
35
|
73
|
7.4
|
10.4
|
1060
|
209
|
21.3
|
163
|
16.6
|
4
|
M4X18
|
0.41
|
0.06
|
|
PL 015 X 019 EF
|
16.0
|
20.0
|
6
|
2.0
|
30.0
|
23
|
28
|
36
|
78
|
8.0
|
10.4
|
1060
|
195
|
19.9
|
154
|
15.7
|
4
|
M4X18
|
0.41
|
0.07
|
|
PL 016 X 020 EF
|
16.0
|
20.0
|
7
|
2.0
|
31.0
|
24
|
29
|
37
|
124
|
12.7
|
15.6
|
1590
|
273
|
27.9
|
219
|
22.3
|
6
|
M4X18
|
0.41
|
0.08
|
|
PL 017 X 021 EF
|
16.0
|
20.0
|
7
|
2.0
|
31.0
|
25
|
30
|
38
|
132
|
13.5
|
15.6
|
1590
|
258
|
26.3
|
209
|
21.3
|
6
|
M4X18
|
0.41
|
0.08
|
|
PL 018 X 022 EF
|
16.0
|
20.0
|
7
|
2.0
|
32.0
|
26
|
33
|
43
|
154
|
15.7
|
17.1
|
1740
|
267
|
27.2
|
218
|
22.2
|
4
|
M5X20
|
0.85
|
0.10
|
|
PL 019 X 024 EF
|
16.0
|
20.0
|
7
|
2.0
|
32.0
|
28
|
35
|
45
|
163
|
16.6
|
17.1
|
1740
|
252
|
25.7
|
200
|
20.4
|
4
|
M5X20
|
0.85
|
0.11
|
|
PL 020 X 025 EF
|
16.0
|
20.0
|
7
|
2.0
|
32.0
|
29
|
36
|
46
|
171
|
17.4
|
17.1
|
1740
|
240
|
24.5
|
192
|
19.6
|
4
|
M5X20
|
0.85
|
0.12
|
|
PL 022 X 026 EF
|
16.0
|
20.0
|
7
|
2.0
|
32.0
|
30
|
38
|
48
|
186
|
19.0
|
17.1
|
1740
|
218
|
22.2
|
184
|
18.8
|
4
|
M5X20
|
0.85
|
0.12
|
|
PL 024 X 028 EF
|
16.0
|
20.0
|
7
|
2.0
|
32.0
|
32
|
40
|
50
|
206
|
21.0
|
17.1
|
1740
|
200
|
20.4
|
172
|
17.5
|
4
|
M5X20
|
0.85
|
0.12
|
|
PL 025 X 030 EF
|
16.0
|
20.0
|
7
|
2.0
|
32.0
|
34
|
42
|
52
|
216
|
22.0
|
17.1
|
1740
|
192
|
19.6
|
160
|
16.3
|
4
|
M5X20
|
0.85
|
0.16
|
|
PL 028 X 032 EF
|
16.0
|
20.5
|
8
|
2.0
|
33.5
|
36
|
44
|
54
|
353
|
36.0
|
25.6
|
2610
|
257
|
26.2
|
224
|
22.9
|
6
|
M5X25
|
0.85
|
0.16
|
|
PL 030 X 035 EF
|
16.0
|
20.5
|
8
|
2.0
|
33.5
|
39
|
47
|
57
|
382
|
39.0
|
25.6
|
2610
|
240
|
24.5
|
206
|
21.0
|
6
|
M5X25
|
0.85
|
0.19
|
|
PL 032 X 036 EF
|
16.0
|
21.0
|
9
|
2.5
|
35.0
|
41
|
49
|
59
|
412
|
42.0
|
25.6
|
2610
|
224
|
22.9
|
200
|
20.4
|
6
|
M5X25
|
0.85
|
0.20
|
|
PL 035 X 040 EF
|
17.5
|
22.5
|
9
|
2.5
|
36.5
|
45
|
53
|
63
|
451
|
46.0
|
25.6
|
2610
|
178
|
18.2
|
157
|
16.0
|
6
|
M5X25
|
0.85
|
0.23
|
|
PL 038 X 044 EF
|
17.5
|
23.0
|
10
|
2.5
|
39.0
|
49
|
58
|
70
|
686
|
70.0
|
36.1
|
3680
|
231
|
23.6
|
200
|
20.4
|
6
|
M6X28
|
1.4
|
0.33
|
|
PL 040 X 045 EF
|
20.0
|
25.5
|
10
|
2.5
|
41.5
|
50
|
59
|
71
|
725
|
74.0
|
36.1
|
3680
|
180
|
18.4
|
161
|
16.4
|
6
|
M6X28
|
1.4
|
0.33
|
|
PL 042 X 048 EF
|
20.0
|
25.5
|
11
|
2.5
|
42.5
|
53
|
62
|
74
|
1010
|
103
|
48.0
|
4900
|
229
|
23.4
|
201
|
20.5
|
8
|
M6X28
|
1.4
|
0.40
|
|
PL 045 X 052 EF
|
25
|
31.5
|
13
|
3.0
|
52.5
|
58
|
69
|
84
|
1490
|
152
|
66.3
|
6770
|
244
|
24.9
|
211
|
21.5
|
6
|
M8X35
|
3.5
|
0.65
|
|
PL 048 X 055 EF
|
25
|
31.5
|
13
|
3.0
|
52.5
|
61
|
72
|
87
|
1600
|
163
|
66.3
|
6770
|
228
|
23.3
|
199
|
20.3
|
6
|
M8X35
|
3.5
|
0.68
|
|
PL 050 X 057 EF
|
25
|
31.5
|
13
|
3.0
|
52.5
|
63
|
74
|
89
|
1660
|
169
|
66.3
|
6770
|
220
|
22.4
|
192
|
19.6
|
6
|
M8X35
|
3.5
|
0.69
|
|
PL 055 X 062 EF
|
25
|
31.5
|
13
|
3.0
|
52.5
|
68
|
79
|
94
|
1820
|
186
|
66.3
|
6770
|
199
|
20.3
|
176
|
18.0
|
6
|
M8X35
|
3.5
|
0.74
|
|
PL 060 X 068 EF
|
27.0
|
34.0
|
13
|
3.5
|
55.0
|
75
|
86
|
101
|
1990
|
203
|
66.3
|
6770
|
164
|
16.7
|
144
|
14.7
|
6
|
M8X35
|
3.5
|
0.86
|
|
PL 065 X 073 EF
|
27.0
|
34.0
|
15
|
3.5
|
57.0
|
80
|
91
|
106
|
2870
|
293
|
88.5
|
9030
|
201
|
20.5
|
179
|
18.3
|
8
|
M8X40
|
3.5
|
1.1
|
|
PL 070 X 079 EF
|
31.0
|
38.0
|
15
|
3.5
|
61.0
|
86
|
97
|
112
|
3100
|
316
|
88.5
|
9030
|
177
|
18.1
|
158
|
16.1
|
8
|
M8X40
|
3.5
|
1.2
|
|
PL 075 X 084 EF
|
31.0
|
38.5
|
16
|
3.5
|
62.5
|
91
|
102
|
117
|
4150
|
423
|
111
|
11290
|
207
|
21.1
|
185
|
18.9
|
10
|
M8X40
|
3.5
|
1.3
|
|
PL 080 X 091 EF
|
34.0
|
42.0
|
17
|
4.0
|
67.0
|
99
|
110
|
125
|
4420
|
451
|
111
|
11290
|
176
|
18.0
|
155
|
15.8
|
10
|
M8X40
|
3.5
|
1.7
|
|
PL 085 X 096 EF
|
34.0
|
42.5
|
19
|
4.0
|
71.5
|
104
|
118
|
137
|
5980
|
610
|
141
|
14360
|
212
|
21.6
|
187
|
19.1
|
8
|
M10X45
|
6.9
|
2.2
|
|
PL 090 X 101 EF
|
34.0
|
42.5
|
19
|
4.0
|
71.5
|
109
|
123
|
142
|
6330
|
646
|
141
|
14360
|
200
|
20.4
|
178
|
18.2
|
8
|
M10X45
|
6.9
|
2.3
|
|
PL 095 X 106 EF
|
34.0
|
42.5
|
19
|
4.0
|
71.5
|
114
|
128
|
147
|
6680
|
682
|
141
|
14360
|
189
|
19.3
|
170
|
17.3
|
8
|
M10X45
|
6.9
|
2.4
|
|
PL 100 X 114 EF
|
42.0
|
50.5
|
20
|
4.0
|
80.5
|
122
|
136
|
155
|
8790
|
897
|
176
|
17950
|
165
|
16.8
|
144
|
14.7
|
10
|
M10X45
|
6.9
|
3.0
|
|
PL 110 X 124 EF
|
42.0
|
50.5
|
20
|
4.0
|
80.5
|
132
|
146
|
165
|
9670
|
987
|
176
|
17950
|
150
|
15.3
|
133
|
13.6
|
10
|
M10X45
|
6.9
|
3.3
|
|
PL 120 X 134 EF
|
42.0
|
50.5
|
22
|
4.0
|
80.5
|
142
|
156
|
175
|
12600
|
1290
|
211
|
21540
|
165
|
16.8
|
148
|
15.1
|
12
|
M10X50
|
6.9
|
3.8
|
- 上表所示之傳達扭力值 ( M t ) 乃是當軸向力 ( Pax ) = 0 時之定義;而上表所示之軸向力
( Pax ) 乃是當傳達扭力值 ( Mt ) = 0 時之定義。如果傳達扭力值 ( M t ) 與 軸向力( Pax ) 同時作用時,請計算合成負荷並與比較上表之傳達扭力值
( M t )。
-
軸側與輪轂側面壓 P、P ' 是以平均值表示。這個值會因安裝螺絲拴緊時而有
-20 % ~ +20 % 的變動。
-
傳達扭力值 ( M t ) 與軸向力 ( Pax ) 是以面壓最低容許值時,計算之最小值。
|
網頁建議使用IE 4.0 以上版本 1024*768 解析度瀏覽
Copyrightc 2002 ~ 創勤實業有限公司 TEL:03-3588332
; FAX:03-3588331~ All Rights Reserved.
修訂日期: -2003年6月26日 -